출력 유형
이 책에서는 출력 유형에 대해서 매우 간략하게 설명했다. 도저히 이해를 할 수 없는 정도의 수준이라, Reference를 찾아보았는데, 좋은 source를 찾았다. 상세하게 이해하고 싶다면 source의 글들을 직접 읽어보면 좋을 것 같다.
source :
https://blog.naver.com/3lastbaek5/221976242283
https://blog.naver.com/3lastbaek5/221976267493
https://blog.naver.com/3lastbaek5/221984042091
https://m.blog.naver.com/PostView.naver?isHttpsRedirect=true&blogId=3lastbaek5&logNo=221985365093
그리고 책 내용과 다르게 대표적인 출력 형태인 Open Collector, Push-Pull 출력, totem pole 출력에 대해서만 다룰 것이다.
왜 출력에 대해 이야기하는가?
앞서 배운 트랜지스터를 이용해서 입력에 따른 출력을 제어할 수 있는 소자, 그리고 소자들로 구성된 회로를 만드는 것이 컴퓨터 공학의 하드웨어 분야의 핵심이다. 그런데 회로를 어떻게 구성하느냐에 따라서 응답속도, 최대출력, 전력소모 등에 대한 특성이 달라진다. 그리고 이런 특성에 따라 활용처가 달라진다. 예를 들어 입력-출력이 매우 빠르게 바뀌는 시스템이라서 응답속도가 중요하다면, 전력소모가 좀 크더라도 응답속도는 빠른 소자 및 회로를 구성해야할 것이다.
Open Collector 출력
Open Collector 출력은 응답속도나 전력소모면에서는 좋지 않지만, 최대 출력값을 보정할 수 있는 출력이다. 보통 아래와 같이 1개의 NPN 트랜지스터로 구성되며, 컬렉터쪽에 아무것도 연결되지 않은 채로 출력 신호가 나가는 Out 부분이 연결되기 때문에 Open Collector 출력이라고 부른다.

이 단순한 회로를 이용하여 입력-출력 관계가 명확한 시스템을 만든다고 가정해보자. 입력은 In으로 들어가는 전압이고, 출력은 GND(그라운드, 접지)와 Out간의 전압차로 표시하는 시스템이다.

In 5V -> Out 0V
In 5V가 입력되면, 트랜지스터가 연결되어 Base -> Emitter로 전류가 흐른다. Out이나 GND나 전압이 걸릴 요소가 없으므로 출력은 0V이다.
In 0V -> Out ?? V
입력에 어떤 값도 입력되지 않았을 때, 트랜지스터는 연결되지 않았으므로 끊어져있는 Out과 GND간에 전압차가 발생한다. 외부 Noise에 의한 것이든, 다른 연결된 회로에 의해 전압이 있든 0V는 아닌 명확하지 않은 전압차가 출력 상태가 된다. 명확하지 않은 상태값을 가지고 시스템을 구성할 수는 없다. 1V든 10V든 정해진 값에 도달하면 현재 시스템이 OFF라는 것을 표현해줘야 하기 때문이다.

그래서 외부 전압 및 저항을 달아준다. 이렇게 하면 In 0V 일때 10V라는 명확한 전압값이 Out에 걸리게 되고, 출력값이 10V로 한정되어 상태가 정확한 시스템을 구성할 수 있게 된다. 1V, 2V등 알 수 없는 전압값 대신, 10V라는 정확하고 큰 전압으로 출력상태의 전압값을 '끌어올렸기' 때문에 pull-up 저항이라고 부른다.
Pull-up 저항에 의한 전파 지연과 전력소모 증가
pull-up 저항을 달지 않으면, 옴의 법칙 I = V / R 에 의해서 R -> 0 이므로 I -> 무한대로 증가하는 과전류가 발생할 수 있다. 다시말해 트랜지스터에 역방향 바이어스가 걸려서 소자가 망가질 수 있으므로 pull-up 저항은 필수이다.
그런데 저항을 달면 저항에 의해서 전파 지연이 발생하고, 저항에 의한 전력소모가 발생한다. 전자가 이동하는데 방해를 받으면 다른 곳까지 이동하는데 오랜 시간이 걸리고, 저항에 있는 방해 요소에 의해 열이 발생한다고 생각하면 된다. 이런 현상은 주파수가 높은, 다시 말해 입력의 ON/OFF가 자주 변경되는 회로에서 Time Delay로 인해 제대로 ON/OFF를 감지하지 못하는 문제로 이어진다.

그래서 저항을 사용하지 않는 방법을 생각하게 되었는데, 이것이 Push-Pull 출력이다.
Push-Pull 출력

기존 Open Collector 출력 방식에 비해서 PNP 트랜지스터와 Not 게이트를 1개 추가한 회로 구성이다. 저항이 없기 때문에 전력 소모가 줄어든다는 장점이 있다.

다소 의문스러운 부분들이 있지만, 컴퓨터 공학 수준에서만 이해한다는 측면에서 전기에 대한 질문들은 잠시 접어두고, 위 그림을 통해 push-pull 방식에 대한 기본 개념을 이해할 수 있다. 특별할 거 없이 NPN, PNP 2개의 트랜지스터를 연결함으로써 입력이 1일 때 출력이 1, 입력이 0 일때 출력이 0인 회로를 만들 수 있다는 것이다. 전류의 방향이 NPN에서 Base -> Emitter로 갈때는 push, PNP에서 Emitter -> Base로 갈때는 당기는 것처럼 보이는 pull이라서 push-pull 이라고 한다.
push pull 방식은 입력 전압 5V 일때 출력은 0~5V로 스펙이 정해지지만, Open Collector 방식은 V_external을 연결하여 그 이상, 예를 들어 11~24V까지 출력을 높여주어 다른 장치의 출력 요구값에 맞출 수 있는 장점이 있다고 한다.

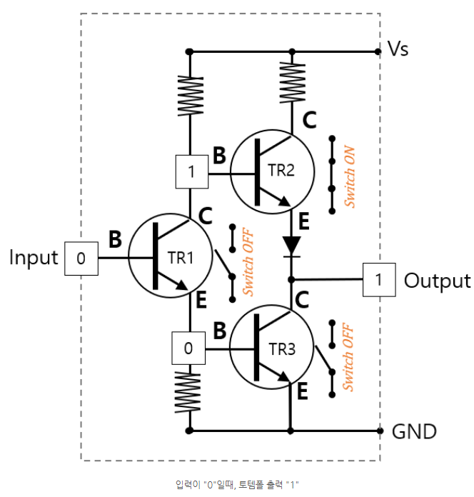
Totem pole 출력

앞서 트랜지스터의 작동원리와 push-pull 회로의 작동 구조를 이해했다면 totem pole 구조는 쉽게 이해할 수 있다. totem pole 구조는 NPN 트랜지스터 3개만으로 구성한 회로이다(물론 과전류를 막기 위한 저항 등이 추가로 필요하다).
Totem pole 구조는 Open Collector에 비해 다음의 장점을 갖는다.
1. 입력에 대한 출력의 스위칭이 빠르다.
2. 전력 소모가 적다.
3. 출력단 임피던스가 적다(정말 간단히 말해 출력단 저항이 적음).
참조
1. [책] 한 권으로 읽는 컴퓨터 구조와 프로그래밍
'Computer Science > Introduction' 카테고리의 다른 글
| 8. 가산기, 디코더/인코더, 멀티플렉서/디멀티플렉서 (0) | 2022.04.19 |
|---|---|
| 7. (보충) 논리식의 간소화 (0) | 2022.04.18 |
| 5. 이력현상, 차동신호, 전파지연 (1) | 2022.04.10 |
| 4. 비트처리 하드웨어 : 릴레이, 진공관, 트랜지스터, 논리게이트 (0) | 2022.04.10 |
| 3. 디지털 게인과 증폭 회로: gain, distortion, threshold, cutoff, saturation (0) | 2022.04.10 |